威斯康电气股份有限公司
全国统一服务热线:0577-62999222
首页
公司简介
产品中心
产品中心
自愈式并联电容器系列
智能电容器系列
有源滤波系列
电容器投切及控制系列
低压串联电抗器
高压并联电容器
荣誉资质
资料下载
新闻中心
联系我们
产品展示
当前位置:
首页
产品中心
电容器投切及控制系列
自愈式并联电容器系列
智能电容器系列
有源滤波系列
电容器投切及控制系列
低压串联电抗器
高压并联电容器
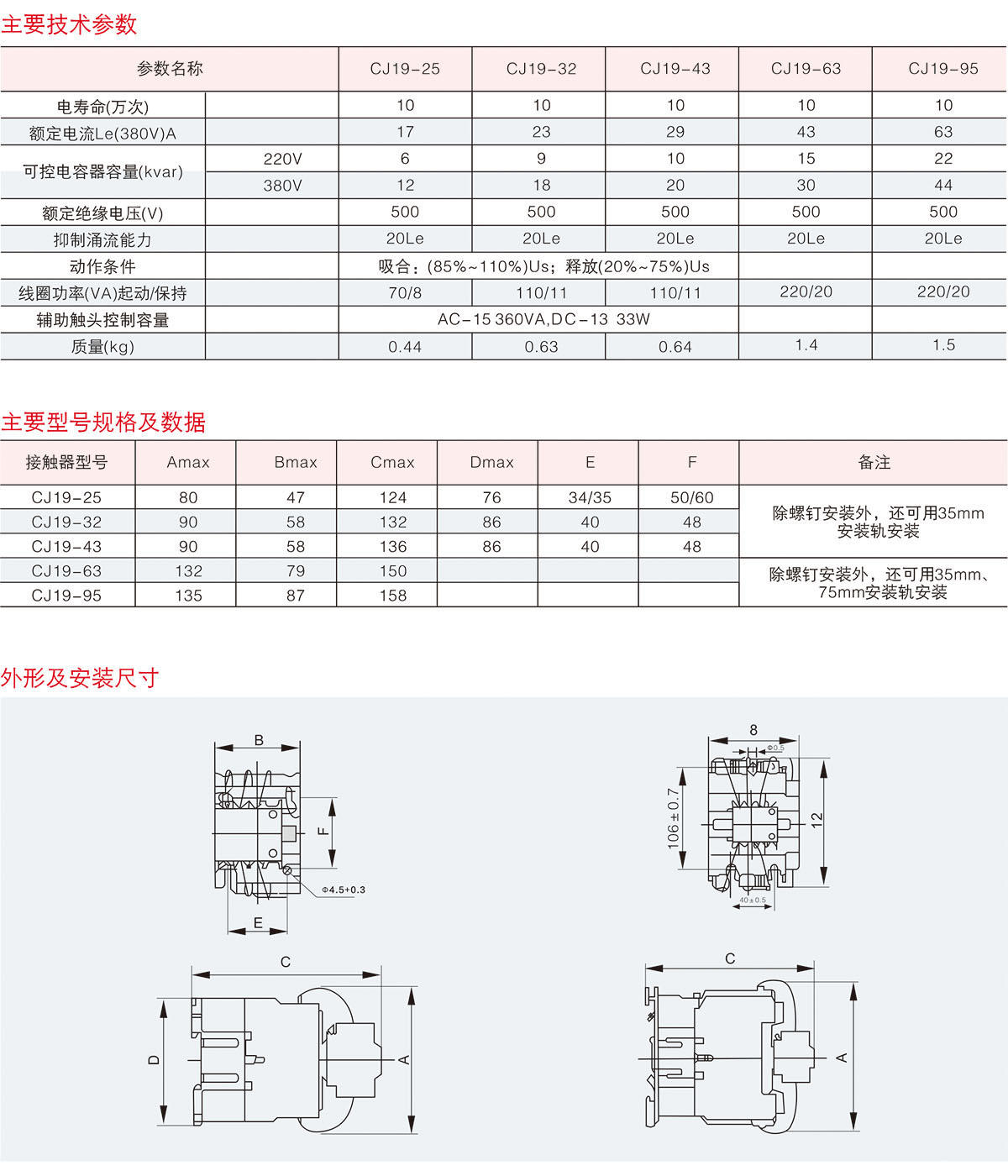
CJ19系列切换电容器接触器
上一个:JKWF系列智能无功补偿控制器
下一个:低压串联电抗器
返回列表
相关产品
Size
SW-APF系列有源电力滤波器
查看详情
Size
SW-ZM系列智能集成电力电容补偿装置
查看详情
Size
智能一体式抗谐波电容器
查看详情
Size
JKWF系列智能无功补偿控制器
查看详情
返回顶部
0577-62999222
微信二维码